Copyright © 2012 by "Elsnab" Ltd  ·  All Rights reserved
220021, Республика Беларусь, г. Минск, ул. Украинская, 8.
Каталог продукции
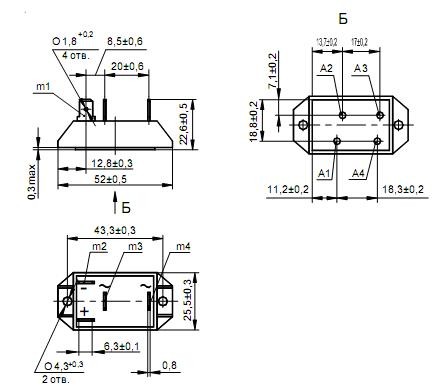
>Каталог>мосты, столбы, сборки>МО2/10
Возможные варианты изготовления:
МО2/10-10 (1-12 класс)
МО2/10-16 (1-12 класс)
МО2/10-25 (1-12 класс)
МО2/10-32 (1-12 класс)
МО2/10-40 (1-12 класс)
 
Модули полупроводниковые силовые с мостовой схемой МО2/10 с беспотенциальным основанием, состоят из силовых полупроводниковых диодных диодных структур, соединенных по однофазной мостовой схеме. Модули предназначены для преобразования переменного тока в постоянный в различных силовых электротехнических установках частотой до 500 Гц.
компания "Элснабцентр"