Copyright © 2012 by "Elsnab" Ltd  ·  All Rights reserved
220021, Республика Беларусь, г. Минск, ул. Украинская, 8.
Каталог продукции
>Каталог>модули: гибридные; с оптической развязкой; транзисторные>модуль FS75R12KE3
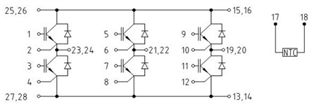
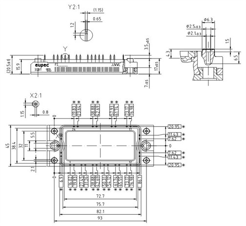
IGBT модуль FS75R12KE3, производство компании  Infineon
Электрические характеристики IGBT модуля FS75R12KE3
компания "Элснабцентр"