Copyright © 2012 by "Elsnab" Ltd  ·  All Rights reserved
220021, Республика Беларусь, г. Минск, ул. Украинская, 8.
Каталог продукции
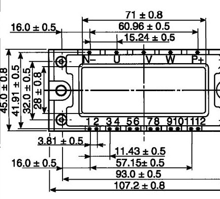
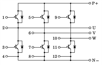
>Каталог>модули: гибридные; с оптической развязкой; транзисторные>MG15Q6ES50
Модули транзисторные:
Toshiba MG15Q6ES50 (6 каналов, ток 15А, 1200V)
Toshiba MG25Q6ES50 (6 каналов, ток 25А, 1200V)
Toshiba MG50Q6ES50 (6 каналов, ток 50А, 1200V)
компания "Элснабцентр"