Copyright © 2012 by "Elsnab" Ltd  ·  All Rights reserved
220021, Республика Беларусь, г. Минск, ул. Украинская, 8.
Каталог продукции
>Каталог>модули: гибридные; с оптической развязкой; транзисторные>QM100DY
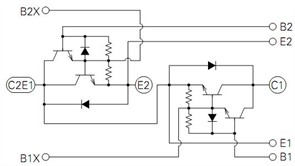
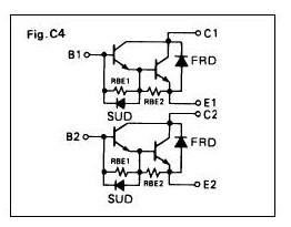
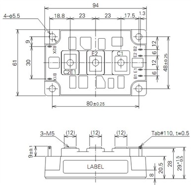
Технические параметры QM100DY-24:
Структура NPN
Макс. напр. к-б при заданном обратном токе к и
разомкнутой цепи э.(Uкбо макс),В               1200
Макс. напр. к-э при заданном токе к и
разомкнутой цепи б.(Uкэо макс),В                1200
Максимально допустимый ток к ( Iк макс.А)     100
Статический коэффициент передачи
тока h21э мин                                                     75
Граничная частота коэффициента передачи
тока fгр.МГц                                                     60
Максимальная рассеиваемая мощность ,Вт    620
Частичный аналог модуля QM100DY модуль ELV31-055 (2х100А 550v)
компания "Элснабцентр"