Copyright © 2012 by "Elsnab" Ltd  ·  All Rights reserved
220021, Республика Беларусь, г. Минск, ул. Украинская, 8.
Каталог продукции
>Каталог>диодные, тиристорные, симисторные модули>МТТ13/3, МТД13/3, МДТ13/3
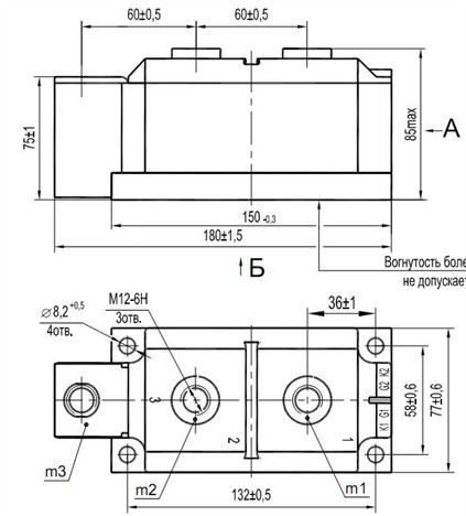
1. МТТ - модуль тиристорный, МТД - тиристорно-диодный, МДТ - диодно-тиристорный.
2. Схема включения
3. Средний прямой ток, A
4. Класс по напряжению
5. Климатическое исполнение по ГОСТ 15150: УХЛ2

Модули предназначены для работы в цепях постоянного и переменного тока частотой до 500 Гц. Применяются в силовых полупроводниковых выпрямителях.
Основные преимущества модулей:
- широкий спектр токов и напряжений;
- прижимная конструкция;
- изолированное основание;
- меньшие габариты в сравнении с таблеточным исполнением.

Представляют собой комбинации тиристоров, диодов следующего исполнения:
МТТ 13/3 31000 12 УХЛ2
1 2 3   4 5
Пример расшифровки обозначения
МТТ13/3-630    12-24 класса
МТТ13/3-800    8-18 класса
МТТ13/3-1000  4-10 класса
МТТ13/4-630    12-24 класса
МТТ13/4-800    8-18 класса
МТТ13/4-1000  4-10 класса
МТТ13/5-630    12-24 класса
МТТ13/5-800    8-18 класса
МТТ13/5-1000  4-10 класса

компания "Элснабцентр"