Copyright © 2012 by "Elsnab" Ltd · All Rights reserved
220021, Республика Беларусь, г. Минск, ул. Украинская, 8.
Каталог продукции
1. ТО - оптотиристор
2. Конструктивное исполнение
3. Средний прямой ток, A
4. Класс по напряжению
5. Климатическое исполнение
| ТО |
115 |
▬ |
10 |
▬ |
12 |
▬ |
УХЛ2 |
| 1 |
2 |
|
3 |
|
4 |
|
5 |
Пример расшифровки обозначения:
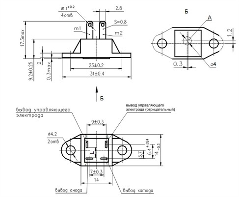
Оптотиристоры выпускаются в пластмассовом корпусе с беспотенциальным основанием фланцевого исполнения.
Предназначены для работы в силовых цепях постоянного и переменного тока частотой до 500 Гц.
Наличие на складе:
Оптотиристор ТО115-12,5-12 У2
компания "Элснабцентр"